トップ / ユニペックス / 金具・オプション
[商品コード ] SA801D
		
		UNI-PEX (ユニペックス)
UNI-PEX (ユニペックス)
	
		【SA-801D】UNI-PEX 天井・天井取付金具(安全ワイヤー付属)
商品説明
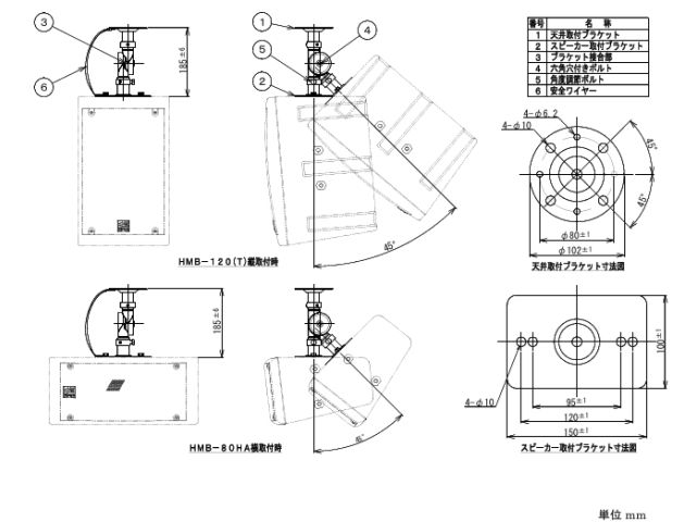
					■ 概要
				
			- 適合スピーカーを天井に吊り下げて取り付ける専用金具です。
 - スピーカーは縦向き、横向きいずれにも取り付けられます。
 
[商品コード ] SA801D
					UNI-PEX (ユニペックス)
					【SA-801D】UNI-PEX 天井・天井取付金具(安全ワイヤー付属)
販売中
14,600円(税抜価格13,273円)
					■ 仕様
	
  
		
	| 形式 | 天井吊り下げ形 | 
| 適合スピーカー | 2ウェイスピーカー HMBシリーズ | 
| 角度調節 | 水平方向360° | 
| 外装 | 材質(鉄製):ブラック半つや消し | 
| 質量 | 約1.1kg | 
| 付属品 | M8x20 セムスボルトx2、六角レンチx1、安全ワイヤーx1、取扱説明書 | 
サウンドショップソシヤル UNI-PEX 専門館 ご利用案内
| お支払方法について | 
| インターネットからのご注文・・・・ | ・代金引換 ・銀行振込 (前払い) ・銀行振込 (掛売・後払)  | 
  
| ※商品ページの「カートに入れる」 よりお手続きください。 ※メールアドレスが必須です。 ※メールにてご注文明細、納期のご案内をいたします。  | 
  
| FAXからのご注文・・・・・・・・・・・・・ | ・代金引換 ・銀行振込 (前払い) ・銀行振込 (掛売・後払)  | 
  
| FAX ご注文フォーム(PDF) ※FAXにてご注文明細、納期のご案内をいたします。 FAX 03-5806-0751  | 
  
  | 
  
  | 
  
| お電話からのご注文・・・・・・・・・・ | ・代金引換 ・銀行振込 (前払い)  | 
  
| ※お電話にて金額、納期のご案内をいたします。 TEL 03-6820-7355  | 
  
ご利用案内詳しくはこちら














≪営業時間≫9時 - 18時

メールからのお見積はこちら







